
LVDS 통신 인터페이스 설계
LVDS 통신
- LVDS 란?

- LVDS ( Low Voltage Differential Signaling , 저전압 차등 시그널링 )
- 고속 디지털 인터페이스로, 고속 데이터 전송 속도를 위한 낮은 전력 소비 및 뛰어난 노이즈 내성의 특징을 가짐
- 저렴한 연선 구리 케이블에 고속으로 동작이 가능한 전기적 신호
- 데이터 전송 최대 속도는 3.125Gbps
- 낮은 전압 스위의 차동 신호를 사용한 고속 전송
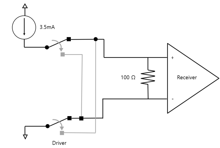
- 3.5mA의 전류가 흘러 수신기 입력 간 350mV의 전압 차를 발생
- RS-422에 비해 적은 전력 소모량 = RS-422의 경우 부하에서 90mW의 전력을 소비하는 데에 비해 LVDS는 약 1.2mW의 전력을 소모
- LVDS 출력은 높은 데이터 속도를 유지하면서도 노이즈 방출을 줄임
- 동작모드 : 일대일( Point-to-Point ), 멀티드롭 ( Multi-drop )모드
2. LVDS 장단점, 사용처
1) 장점
- 고속 데이터 전송 : 고성능 컴퓨팅, 복합기(MFP) 등에서 요구되는 고속 데이터 전송가능
- 긴 전송 거리 : 꼬임쌍 케이블을 사용하여 신호를 장거리로 전송
- 낮은 전력 소모 : 신호 진폭이 작아 저전력으로 작동하며, 2.5V 이하의 저전압 IC에 적합
- 우수한 간섭 방지 : 차동 신호 방식을 사용하므로 외부 노이즈의 영향을 최소화하여 신호 무결성을 유지
- 저렴한 비용 : 꼬임쌍 구리 케이블을 사용해 비용 효율적임
2) 단점
- 노이즈에 취약 : 고속 신호 전송 중 노이즈가 포함되면 데이터 복원이 어려울 수 있음
- 복잡한 회로 : 고속 신호 처리를 위해 복잡한 회로 설계가 필요
- 제한적인 속도 : 표준 규격 상 데이터 전송 속도에 한계가 있으며, 제조사별 기술 개발로 속도를 높일 수 있으나 여전히 한계가 있음
3) 사용처
- 디스플레이 : 모니터, TV 등의 LCD 패널에 그래픽/비디오 데이터를 전송하는 데 사용
- 고속 데이터 통신 : 높은 대역폭이 필요한 여러 장치 간의 데이터 통신에 활용
- 카메라: 카메라 모듈과 이미지 처리 칩을 연결하는 데 사용
- 산업용 및 임베디드 시스템 : 저전력, 고속 통신이 요구되는 다양한 산업용 장비나 임베디드 시스템에 널리 적용
- 기타 : 클럭 신호 전송, 직렬 통신 등 다양한 애플리케이션에서 사용
3. LVDS 정리

4. LVDS 신호선

- TXD+Transmit Data+ : 외부장치로 정보를 보낼 때 직렬통신 데이터가 나오는 +(positive)신호선
- TXD-Transmit Data- : 외부장치로 정보를 보낼 때 직렬통신 데이터가 나오는 –(negative)신호선
- RXD+Receive Data : 외부장치로부터 정보를 받을 때 직렬통신 데이터를 받는 +(positive)신호선
- RXD-Receive Data : 외부장치로부터 정보를 받을 때 직렬통신 데이터를 받는 –(negative)신호선

Differentail 방식 ( 차동모드 )
- Single ended 방식에 비해 필요한 신호선이 많음
- +라인의 신호와 -라인의 신호의 위상이 반대로 입출력
- 신호의 위상이 반대이기 때문에 노이즈 제거에 유리 → 노이즈의 경우 동일위상으로 입력되기 때문

차동신호를 사용하는 이유
- 위 그림과 같이 노이즈에 의한 통신불량을 막으며, 데이터를 주고 받음에 더욱 깔끔한 신호를 주고 받을 수 있음
5. LVDS 신호레벨

( Data+ ) – ( Data- ) 양의 전압 → ex) ( +1.35V ) – ( +1.0V ) = +350mV → Logic ‘1’
( Data+ ) – ( Data- ) 음의 전압 → ex) ( +1.0V ) – (+ 1.35V ) = -350mV → Logic ‘0’
6. LVDS 종단저항

1) 종단저항
- 전송기기는 설계 기준에 따라 다양한 임피던스를 가지고 있으며, 그것이 특정 저항 값에 가까울 때 반사저항을 최소화 할 수 있음
2) 종단저항이 필요한 이유 ?
- 신호는 임피던스를 지날 때 반사 현상이 일어나게 되며, 이러한 반사현상으로 신호가 약해지고 노이즈를 발생시켜 올바른 동작을 하지 못함
- 통신라인의 끝단이 절단된 채로 되어있는 통신케이블에 높은 주파수의 신호가 흐르게 되면 절단면에서 반사된 신호와 원래의 신호가 혼합돼 신호를 제대로 받을 수 없기 때문
- 이러한 현상을 방지하는 것이 종단저항 = Term저항 = Termination 저항의 역할
- 끝단에 저항을 연결해서 선로 전체가 일정한 전류를 순환시켜 반사현상을 줄이고 노이즈에 강하게 해줌
- 즉, 노이즈를 제거하고 원활한 통신을 하기 위해서 필요
'연구노트 > 통신 설계' 카테고리의 다른 글
| [UART] UART란 무엇인가? (0) | 2026.05.25 |
|---|---|
| RS-485 통신 인터페이스 설계 (0) | 2025.10.22 |
| RS-422 통신 인터페이스 설 (0) | 2025.10.21 |
| RS-232 통신 인터페이스 설계 (0) | 2025.10.17 |
| HDLC 통신설계 (0) | 2025.09.30 |